中文

LPC-16巡线传感器

  • 乐鱼直播官网_乐鱼(中国)图片
  • 乐鱼直播官网_乐鱼(中国)图片
  • 乐鱼直播官网_乐鱼(中国)图片
  • 乐鱼直播官网_乐鱼(中国)图片

乐鱼直播官网_乐鱼(中国)简介

LPC-16巡线传感器,是光电漫反射式的巡线传感器,分为红、绿、蓝光器件三种型号,分别适用于不同的基色与线条颜色区分。三种型号传感器的光敏器件上分别设置有对应颜色的窄带滤光片,并且光源都采用调制光输出,使传感器能有效抵挡环境光的干扰,能在复杂光环境及强光环境下稳定工作。传感器具有环境标定功能,让用户能在新的环境下快速对传感器进行标定,使传感器立即适应新的环境,工作在最佳状态。传感器具有CAN总线及RS232通信接口。
图纸下载 | LPC-16巡线传感器

乐鱼直播官网_乐鱼(中国)特性

  • 红、绿、蓝光器件三种型号可选,最佳匹配用户的基色与线条颜色区分
  • 调制光源,光敏器件带滤光片
  • 环境标定功能
  • CAN总线及RS232通信接口

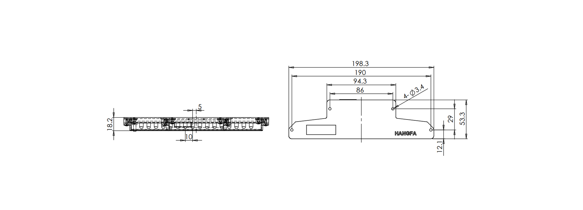
外形尺寸

乐鱼直播官网_乐鱼(中国)外形尺寸

规格参数



  • LPC-16RLPC-16GLPC-16B
    光源颜色红色绿色蓝色
    滤光光敏颜色红色绿色蓝色
    主体尺寸190×160×102mm
    通信接口CAN总线、RS232
    输入电压5V
    光敏组件数量16组
    光敏组件间距1cm
    环境标定功能支持
    附件电缆及接线端子、乐鱼直播官网_乐鱼(中国)资料光盘


典型研究与应用领域

  • 机器人平台
  • 工业自动化