中文

ULB-1超声测距传感器

  • 乐鱼直播官网_乐鱼(中国)图片

乐鱼直播官网_乐鱼(中国)简介

ULB-1超声测距传感器采用收发分体探头,能对1cm~6m距离内的物体进行测距。具有i2C总线和UART(TTL电平)两种数据接口,标配有安装支架。
图纸下载 | ULB-1超声测距传感器

乐鱼直播官网_乐鱼(中国)特性

  • 工业级品质
  • 测距盲区小
  • i2C总线和UART(TTL电平)两种数据接口
  • 支持最多32个传感器模块通过总线级联

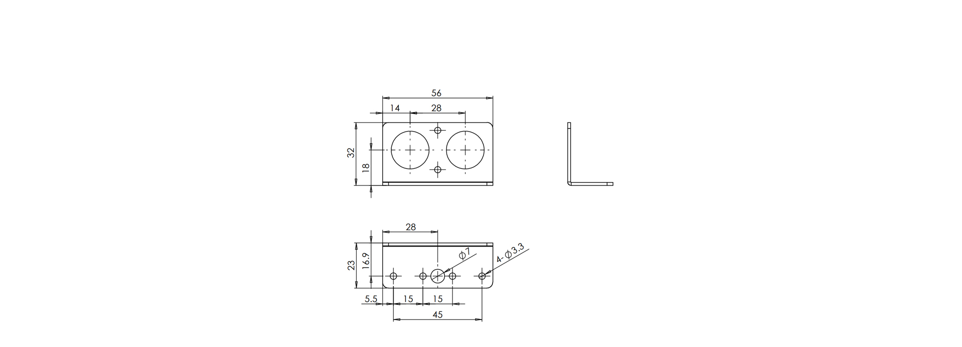
外形尺寸

乐鱼直播官网_乐鱼(中国)外形尺寸

规格参数


主体尺寸:56×28×32mm测距范围:0.01~6m
每个探头最大测距频率:50Hz传感器类型:收发分体
通信接口:i2C、UART串口(TTL电平)输入电压:DC5V
典型待机电流:30mA典型工作电流:600mA
主要部件:测距模块×1、安装支架×1、端子插芯×10、光盘×1


典型研究与应用领域

  • 机器人平台
  • 工业自动化