QL-15
乐鱼直播官网_乐鱼(中国)简介
图纸下载 | QL-15CN 图纸下载 | QL-15CN乐鱼直播官网_乐鱼(中国)特性
- 从动小轮轴向零间隙
- 双排多细分设计
- 小轮内嵌双轴承设计
- 特选的优质橡胶
- 表面高温烤漆处理
- 持续改良的QL系列
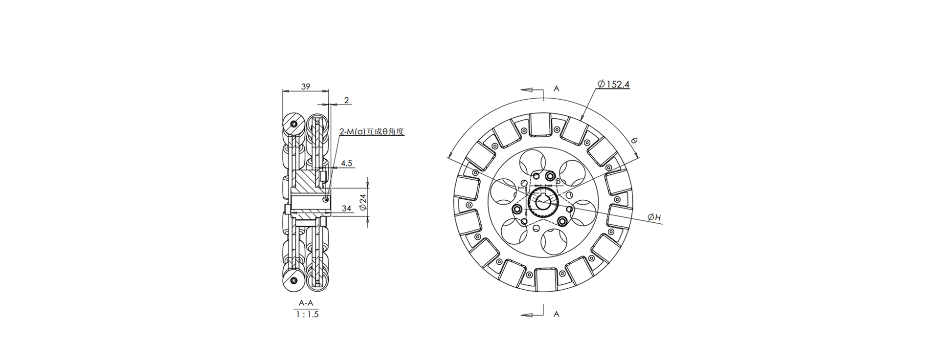
外形尺寸
规格参数
| 外径 | 152.4(6")mm | 宽度 | 39mm |
| 侧轮数 | 28 | 轴承数 | 56 |
| 轴承类型 | 滚动轴承 | 小轮材质 | 橡胶 |
| 轮毂材质 | 铝合金 | 轮毂表面处理 | 双层高温烤漆 |
| 连接形式 | 平键/紧定螺钉 | 典型中心孔 | 5/6/8/10/12/15/16mm |
| 自重 | 640g | 负载能力 | 30Kg |
| 外径 | 152.4(6")mm |
| 侧轮数 | 28 |
| 轴承类型 | 滚动轴承 |
| 轮毂材质 | 铝合金 |
| 连接形式 | 平键/紧定螺钉 |
| 自重 | 640g |
| 宽度 | 39mm |
| 轴承数 | 56 |
| 小轮材质 | 橡胶 |
| 轮毂表面处理 | 双层高温烤漆 |
| 典型中心孔 | 5/6/8/10/12/15/16mm |
| 负载能力 | 30Kg |