中文

QLM-36

  • 乐鱼直播官网_乐鱼(中国)图片
  • 乐鱼直播官网_乐鱼(中国)图片
  • 乐鱼直播官网_乐鱼(中国)图片
  • 乐鱼直播官网_乐鱼(中国)图片

乐鱼直播官网_乐鱼(中国)简介

QLM系列全向轮(omni wheel)提供最大2000千克的负载能力,同时保持了很高的精度标准。采用专利技术的轮毂一体成型工艺,最大限度发挥了材料的力学性能。从动轮表面材质可选橡胶或聚氨酯,能够适应不同的使用要求。QLM全系列乐鱼直播官网_乐鱼(中国)采用滚动轴承设计,在平稳性、静音性、可靠性、全向性上都有很好的表现,能够适应室内及室外的应用场合。

图纸下载 | QLM-36CN 图纸下载 | QLM-36CN

乐鱼直播官网_乐鱼(中国)特性

  • 轮毂一体成型,高强度、高刚性
  • 滚动轴承设计
  • 负载能力覆盖0~2000kg
  • 工业级品质

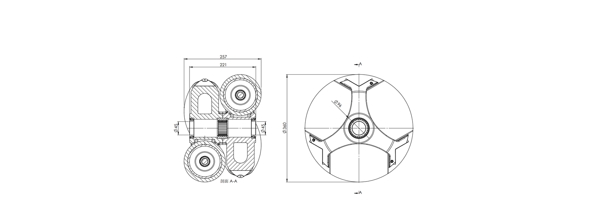
外形尺寸

乐鱼直播官网_乐鱼(中国)外形尺寸

规格参数

外径 360mm 宽度 257mm
侧轮数 6 轴承数 12
轴承类型 重载滚动轴承 小轮材质 聚氨酯
轮毂材质 轮毂表面处理 双层高温烤漆
连接形式 法兰 典型中心孔 45mm
自重 44Kg 负载能力 1500Kg
外径 360mm
侧轮数 6
轴承类型 重载滚动轴承
轮毂材质
连接形式 法兰
自重 44Kg
宽度 257mm
轴承数 12
小轮材质 聚氨酯
轮毂表面处理 双层高温烤漆
典型中心孔 45mm
负载能力 1500Kg